Pfosten
Metallpfosten passend für Ihre Zaunanlage.
Ideal, wenn Sie Ihren Holzzaun mit stabilen, langlebigen Metallpfosten ergänzen oder ersetzen möchten.
Profilrohre auf Länge
von 60x60 bis 160x160
Pfosten [PG]
zum einbetonieren
[PG] Pfosten

- [PG] zum Einbetonieren
- Pfosten mit Metallkappe
Pfosten-Art

[SP] Zwischenpfosten
[SK] Endpfosten
[SN] Eckpfosten
[SB] ohne Befestigung
Pfosten-Befestigung

Befestigung je Art & Seite
2 x Einnietmutter M 10 oder
2 x Einnietmutter M 8
Pfostenprofil
- 60x60x2 mm
- 80x80x2 mm
- 80x80x3 mm
- 100x100x2 mm
- 100x100x3 mm
- 120x120x3 mm
- 160x160x6 mm
Farben
- feuerverzinkt
- verzinkt + RAL 7016 anth.
- verzinkt + RAL 6005 grün
- Sonderfarben
Bodenplatten
angeschweißt
[PS] Pfosten mit Bodenplatte

- [PG] mit angeschweißter Bodenplatte = [PS] Pfosten
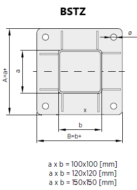
[BST Z ] Bodenplatte verstärkt

- angeschweißt
- mit Knotenbelchen
- mit 4 Bohrungen
- Ø 14 mm
- t = 10 mm Stark
Für Pfostenprofil:
- 100x100
- 120x120
- 160x160
[BST 4 ] Bodenplatte

- angeschweißt
- mit 4 Bohrungen
- Ø 14 mm
- t = 10 mm Stark
Für Pfostenprofil:
- 80x80
- 100x100
- 120x120
[PST 4 ] Bodenplatte

- angeschweißt
- mit 4 Bohrungen
- Ø 12 mm
- t = 6 mm Stark
Für Pfostenprofil:
- 60x60
- 80x80
- 100x100
- 120x120
[PST 2 ] Bodenplatte

- angeschweißt
- mit 2 Bohrungen
- Ø 12 mm
- t = 6 mm Stark
Für Pfostenprofil:
- 60x60
- 80x80
- 100x100
- 120x120


